CONTACT US
400 - 880 - 3995當前位置:首頁 < 新聞中心 < 行業(yè)動態(tài) < 博思特POSITAL線性傳感器LD0-S101G-1213-2P60-2RW
POSITAL線性傳感器LD0-S101G-1213-2P60-2RW主要特點:
線性傳感器有多種配置,可滿足任何應用要求,從近無塵室環(huán)境到港口搬運臂和建筑起重機。提供了多種輸出(包括模擬量、現場總線和以太網系列)、結實的外殼和緊湊型設計。
傳感器的設計精密合理,采用高精密傳感元件,使得傳感器具有體積小,使用方便,密封性好,測量精度高,溫度誤差小,壽命長等優(yōu)點。
該傳感器不僅適宜于作直線運動的機械物體位移測量,更適宜于機械物體作曲線運動的位移測量。
?精密電信號(電位計、電壓、電流、編碼器脈沖、計算機接口)輸出
?適合多種距離精密直線或曲線位移測量
?標準工業(yè)級+產品,軍品級
?適合多種惡劣環(huán)境和苛刻工作條件
?多面安裝選擇(傳感器底面、頂面、端面、拉線背面、拉線正面等)
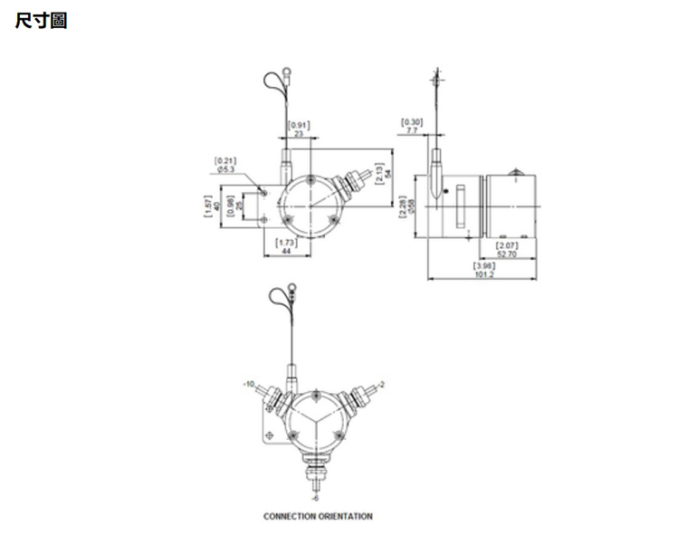
LD0-S101G-1213-2P60-2RW
產品參數:
電源 4.5 – 30 VDC
功耗 ≤ 1.5 W
工作溫度 -20 °C (-4 °F) - +80 °C (+176 °F)
重量 620 g (1.37 lb)
外殼防護等級 (編碼器) IP64 / IP65
機械數據
最大測量長度 1.90 m
線轂周長 150 mm
線繩材質 聚酰胺涂層的不銹鋼
線繩直徑 0.45 mm
編碼器外殼材料 鋼
拉線盒外殼的材料 鋁
線位移的最大速度 2.0 m / s
線繩最大加速度 12.0 g
最大拉出力 5.0 N
最小回縮力 3.5 N
動作壽命 100萬次循環(huán) (根據理想條件估算)
線繩連接 金屬環(huán)
最大。出線角度。 ±3°
傳感器數據
技術 光電 (≤ 0.02°)
精度 ±0.02 % FSO
重復性 ±0.006 % FSO
分辨率 單圈 13 位
分辨率 多圈 12 位
近似線性分辨率 18.3 μm
輸出碼制 格雷碼
接口
通訊接口 SSI帶預設
手動功能 預設功能和方向反轉可以通過電纜或連接器編譯
接口周期 ≥ 25 μs
輸出
輸出驅動器 RS422
時鐘輸入 RS 422, 通過光電耦合器
電氣連接
連接方向 徑向 6
接口 Cable 2 m
電纜長度 2 m [79"]
導線截面 0.14 mm2 / AWG 26
材料 / 類型 PVC
電纜直徑 6 mm (0.24 in)
最小彎曲半徑 46 mm (1.81") 固定, 61 mm (2.4") 彎曲

版權所有© :上海開地電子有限公司 電話:021-5268 2679 傳真: 021-5268 2869 郵箱:sales@kindele.com
總部地址:上海 普陀區(qū) 怒江北路598號2108室(紅星世貿大廈) 備案號:滬ICP備08012286號-1
上海開地提供各類測速電機、光電編碼器、旋轉編碼器、傾角傳感器、絕對值編碼器、超速開關、增量式編碼器、英國芬納(Fenner)等產品,是RADIO-ENERGIE、POSITAL、ELTRA授權代理商。